今天又修到一台戴尔G5的,问题是冷机时候能开机,关机后就不能开了
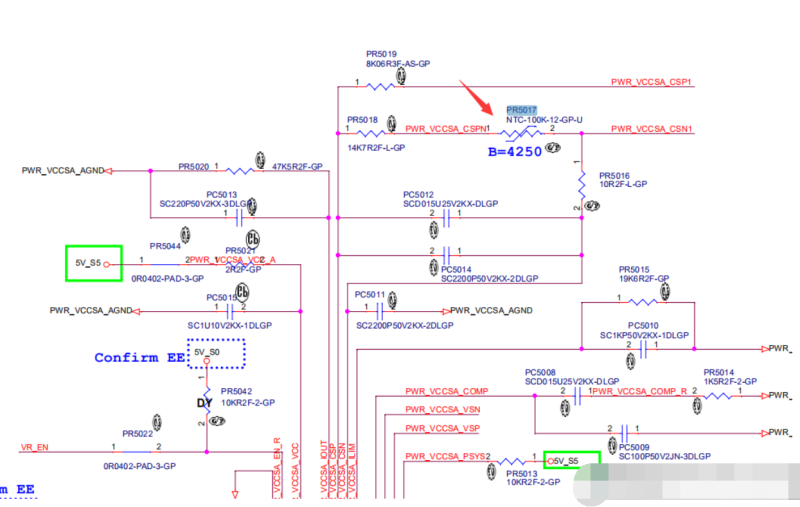
问题在一个小小的电阻上面,是VCCSA电路上的
之前修的G3碰到四台这样问题,当时修了好久才修出来!!
这台机器听客户说给过很多人修都没修好,都是刷BIOS要么就是说CPU坏了
今天听小区人说门口有一家,就拿过来试着看看能不能修,结果拿过来就完美解决了
故障是冷机时候上电电流到0.89-1.25-1.98-2.5冷机时候电流停留0.6-0.7之间
故障点位置跟图纸上显示:


打开后盖就可以解决没必要拆主板
主板型号:19753-1。外壳是G5 5500 15.6寸游戏本
此机配置是i7十代
修好测试了一天联系客户拿走
不要问会不会返修之类,我只能告诉你们,我之前修的那两天没返修过还一直用着稳稳的




没有回复内容