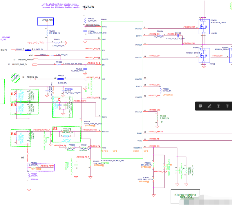
Y9000P 2023款的报错43。测试时开时不开查到显存1.2V不正常,板上原来是uP1666Q 测得18脚5V异常但未短路,2欧电阻烧黑,换电阻又烧,手上没有UP1666Q找到图纸发现是RT8816CGQW,找料板找到个RT8816AGQW(丝印7J=3L)查找datasheet 脚位及线路都是一样的,直接换上不烧电阻显存1.2V也出来了。开机测试一切正常







Y9000P 2023款的报错43。测试时开时不开查到显存1.2V不正常,板上原来是uP1666Q 测得18脚5V异常但未短路,2欧电阻烧黑,换电阻又烧,手上没有UP1666Q找到图纸发现是RT8816CGQW,找料板找到个RT8816AGQW(丝印7J=3L)查找datasheet 脚位及线路都是一样的,直接换上不烧电阻显存1.2V也出来了。开机测试一切正常







没有回复内容